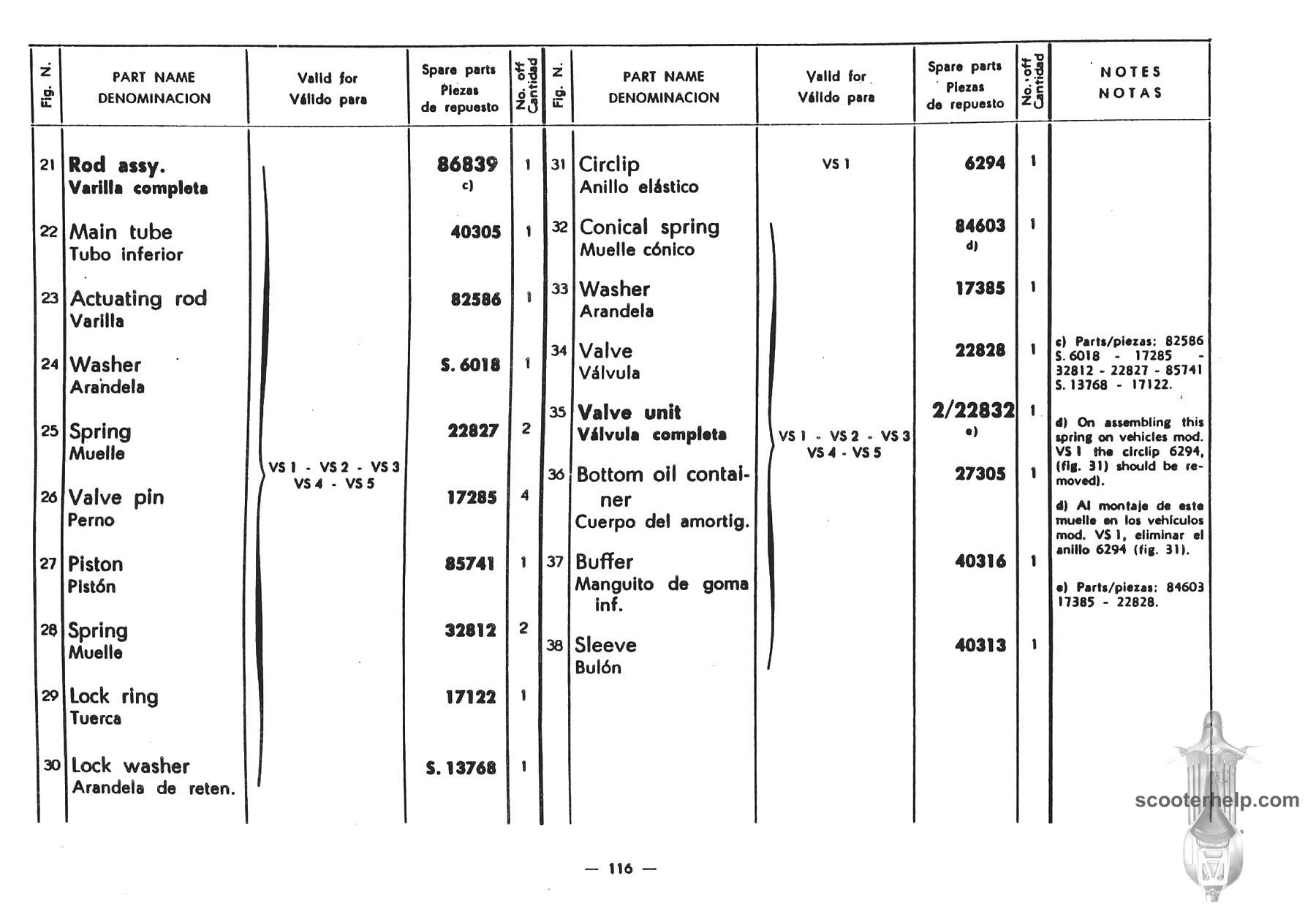
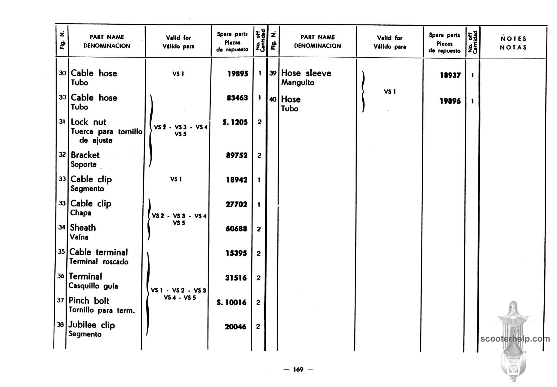
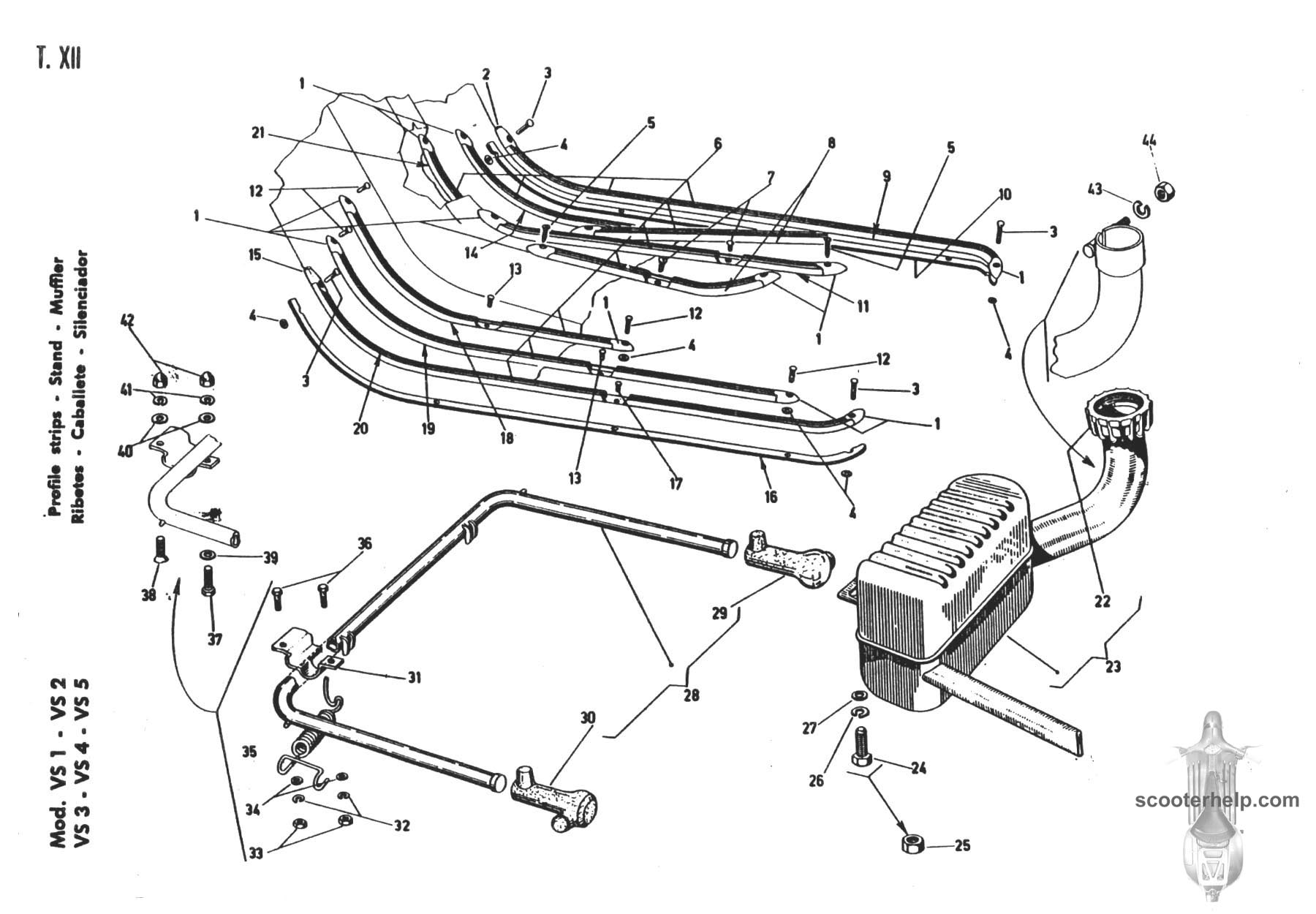
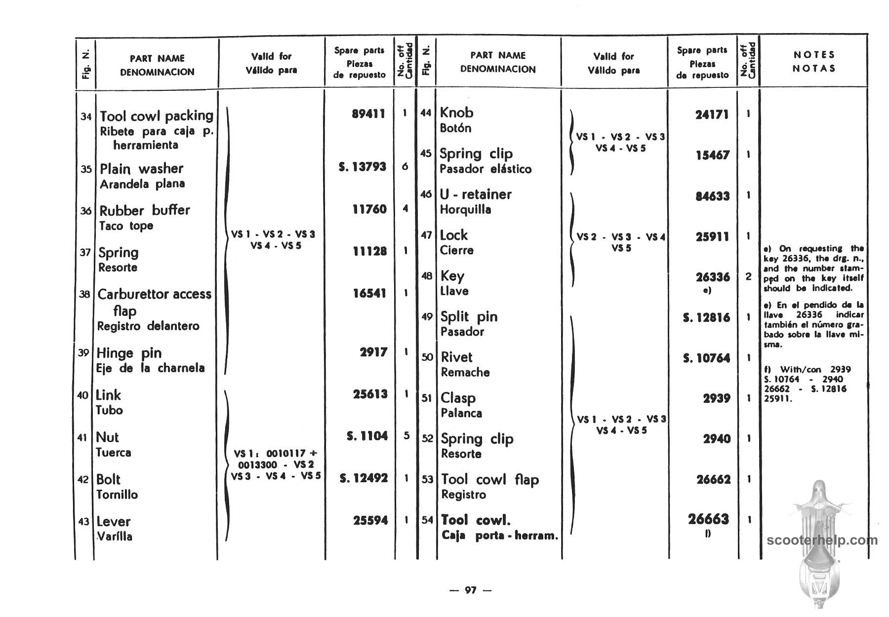
![]() |
![]() |
![]() |
![]() |
![]() |
![]() |
|||||||||||
Italian Vespa Parts Books |
GS150 (VS1T through VS5T) Parts BookClick individual pages below for a 9x6 1/4" 200 DPI page. This book is originally from a large book covering the GS150 (VS1T - VS5T), GS160 (VSB1T), and SS180 (VSC1T), but I have broken out only the pages that are associated with the GS150 to make it smaller and not waste your time downloading pages that are not correct for your bike. The initial index pages will show the GS160 and SS180 parts pages but the book will not contain blow ups of these bikes. If you need them try the GS160 parts book page or the SS180 parts book page. Or click here for a 26MB PDF file. |
|||||||||||||||