![]() |
![]() |
![]() |
![]() |
![]() |
![]() |
|||||||||||
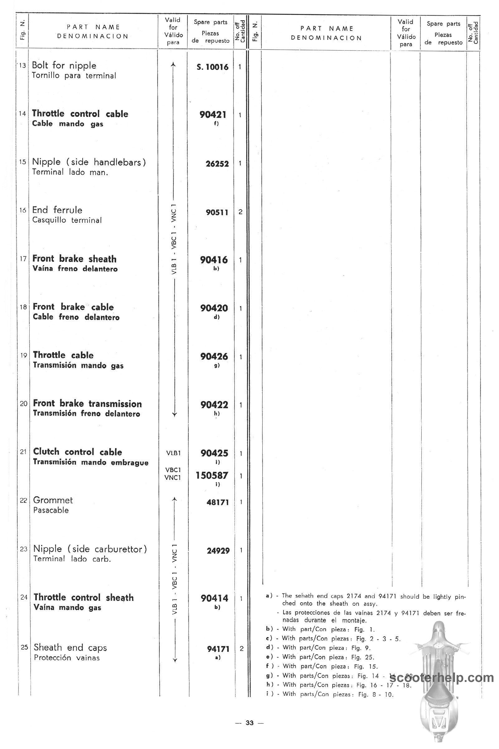
Italian Vespa Parts Books125 Super (VNC1T) 150 Super (VBC1T) 150 Sprint (VLB1T) |
Vespa 150 Super (VBC1T), 150 Sprint (VLB1T) & 125 Super (VNC1T) Parts BookClick individual pages below for a 8"x12" 200 DPI page. These are from the original Vespa parts book for service centers & shops. Files sizes are about 500K for a color page and 350K for a black and white. Shopping for auto parts and motorcycle parts that may work in your Vespa does not have to be an intimidating process. Many auto parts stores and motorcycle parts shops sell parts and tools which can be used even on vintage vehicles builts in the 60s, 70s and 80s. Of course for those special parts you will need to be working with a specifc parts dealer that provides items made especially for your bike. Many Vespa parts dealers source their items from European manufacturers which build to quality standards very acceptable for any restoration or remodel. Finding that specifc nut or bolt in 7mm size can be a bit tricky in the USA but with the online options to buy any knd of repair or replacement part with a few clicks no little piece is too far away. So jump in, find the parts you need to fix your motorcyle or scooter and enjoy! Or click here for a 17.8MB PDF file. |
|||||||||||||||