Electrical Diagram VNX1T
click image to download a .pdf file
USA before 1979 - 12V Points ignition with battery, ignition key & indicators
USA after 1979 - 12V Points Ignition with battery, ignition key & indicators
European - 12V Points ignition with key & indicators no battery
European - 6V Points ignition no key, battery or indicators
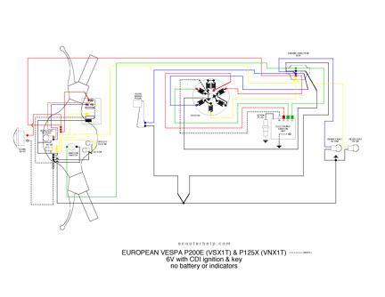
European - 6V CDI ignition with key & no indicators
European 12V CDI ignition with key, battery & indicators before 1979
European 12V CDI ignition with key, battery & indicators after 1979