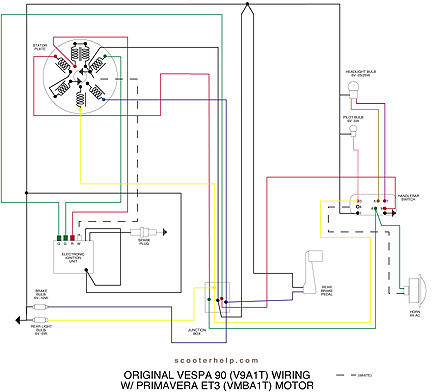
Electrical Hybrid Diagram

VMB1T engine with V9A1T frame

click image to download a .pdf file






Please let me know if you have any problems with this conversion - This is my best guess only and I could have made a mistake.